CH101 F
  • CH101 F

    type:clip-on hydraulic hinge
    materialcold-rolled steel(1-1.2mm)
    opening angle110°
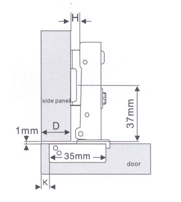
    depth of hinge cup11.3mm
    dia of hinge cup35mm
    door thickness14-23mm
    closing time4-6s

  • Last:Nothing
  • Next:CH101 H