CH102 i
  • CH102 i

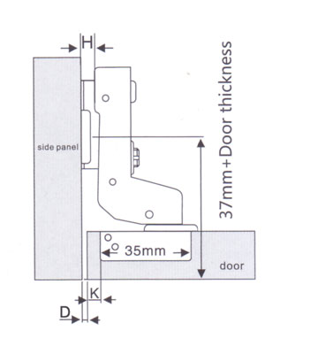
    type:inseparable soft-closing hinge
    materialcold-rolled steel(1-1.2mm)
    opening angle110°
    depth of hinge cup11.3mm
    dia of hinge cup35mm
    door thickness14-23mm
    closing time4-6s
  • Last:CH102 H
  • Next:CH103 F