1739
  • 1739

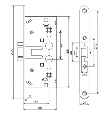
    backset:65mm
    hole centre:72mm
    follower:9*9mm
    latch:steel
    deadbolt:steel
  • Last:Nothing
  • Next:1739S